2.5 PARALEL AND SERIES PARALLEL CONFIGURATION
- Membuat rangkaian berdasarkan gambar pada sub chapter 2.5
- Mengenali dan memahami berbagai macam rangkaian
- DIODA
Dioda merupakan komponen elektronika aktif yang terbuat dari bahan semikonduktor yang berfungsi untuk meyearahkan arus listrik ke satu arah dan menghambat arus dari arah sebaliknya
Spesifikasi Dioda:
- BATERAI
Baterai merupakan komponen elektronika yang berfungsi sebagai sumber tegangan pada rangkaian
- RESISTOR
Resistor merupakan komponen elektronika yang berfungsi untuk mengatur banyak nya arus dan tegangan yg melalui rangkaian tersebut
Metode ini dapat dipakai dengan cara menerapkan pada masing-masing daerah pengaplikasian kemudian cocokkan langkah-langkahnya sesuai dengan konfigurasi dioda seri
Rangkaian 1
Saat diberikan sumber tegangan, "tekanan" dari sumber itu akan mengalirkan arus ke masing-masing dioda yang memiliki arah yang sama seperti gambar 1. Karena arah arus yang dihasilkan sama dengan arah panah pada masing-masing simbol dioda dan tegangan input yang diberikan lebih besar daripada 0.7 V, maka kedua dioda akan berada pada kondisi "on". Tegangan yang melewati elemen paralel akan sama, sehingga:
Dapat dilihat pada gambar 3, arus yang dihasilkan akan dioda D1 berada dalam keadaan "on", sedangkan dioda D2 berada dalam keadaan "off". Maka besar arus yang dihasilkan :
Rangkaian 1
Gambar 1
V0 = 0.7 V
Gambar 2
Sehingga besar arus :
Dengan asumsi dioda memiliki karakteristik yang sama, didapatkan:
Jika rating arus dioda pada gambar 1 hanya sebesar 20 mA, maka jika arus yang melewati rangkaian sebesar 28.18 mA, maka peralatan akan mengalami kerusakan. Sehingga dapat disimpulkan salah satu alasan memasang dioda secara paralel agar peralatan terhindar dari kerusakan.
Rangkaian 2
Gambar 3
Dapat dilihat pada gambar 3, arus yang dihasilkan akan dioda D1 berada dalam keadaan "on", sedangkan dioda D2 berada dalam keadaan "off". Maka besar arus yang dihasilkan :
Gambar 4
Rangkaian 3
Gambar 5
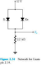
Diawal, kelihatannya tegangan yang di berikan akan menyebabkan kedua dioda berada dalam keadaan "on". Namun, jika keduanya "on" maka kedua tegangan pada dioda akan berbeda disebabkan karena perbedaan karakteristik dioda silikon dan germanium, sedangkan pada rangkaian paralel besar tegangannya adalah sama secara teori. Kenyataannya saat diberikan tegangan, dioda germanium yang memiliki tegangan 0.3 V akan "on", dan mencoba mempertahakan kestabilanya. Hal ini menyebabkan dioda silikon tidak bisa mencapai tegangan 0.7, sehingga dioda silikon tidak bisa "on". Sehingga dapat dikatakan dioda silikon berada dalam keadaan open circuit
V0 = 12 V - 0.3V = 11.7 V
Gambar 6
Rangkaian 4
Gambar 7
Tegangan yang diberikan pada rangkaian gambar 7 akan menyebabkan dioda berada dalam keadaan on, disebabkan karena simbol dioda memiliki arah yang sama dengan sumber tegangan
sehingga I1:
Gambar 8
Dengan mengaplikasikan hukum Kirchoff didapatkan:
- PROSEDUR PERCOBAAN
1. Menyiapkan alat dan bahan
2. Membentuk rangkaian seperti gambar dibawah
3. Mensimulasikan rangkaian di proteus
- PRINSIP RANGKAIAN
Pada percobaan ini kita akan membandingkan perbedaan rangkaian paralel dan rangkaian seri, dgn mengamati tegangan dan arus pada masing masing rangkaian yang telah dibuat
- GAMBAR RANGKAIAN
menunjukkan satu alasan untuk menempatkan dioda secara paralel. Jika nilai arus dioda Gambar 2.30 hanya 20 mA, arus 28,18 mA akan merusak perangkat jika muncul sendiri di Gambar 2.30. Dengan menempatkan dua secara paralel, Arus dibatasi pada nilai aman 14,09 mA dengan tegangan terminal yang sama.
- EXAMPLE2.13
Solusi:
Gambar 2.33 menunjukkan bahwa arah arus yang dihasilkan seperti menghidupkan dioda D1 dan mematikan dioda D2. Arus yang dihasilkan I
kemudian
Solusi
Awalnya, akan terlihat bahwa tegangan yang diberikan akan membuat kedua dioda "on". Namun, jika keduanya "hidup", penurunan 0,7 V melintasi dioda silikon, tidak akan cocok dengan 0,3 V melintasi dioda germanium seperti yang disyaratkan oleh fakta bahwa tegangan di elemen paralel harus sama. Sehingga untuk memberikan tegangan yang sama diode silikon tidak akan pernah mencapai tegangan 0,7v dan diode silikon tidak akan pernah on sehingga rangkaian tampak seperti rangkaian terbuka pada gambar 2.35
gambar 2.37
Solusi:
dioda aktif pada tegangan 0.7V maka didapatkan arus I1 sebesar
Menerapkan hukum tegangan Kirchhoff di sekitar loop yang ditunjukkan dalam arah jarum jam akan menghasilkan
- PROBLEM
Solusi:
1. Apa fungsi penyusunan dioda secara parallel?
a. untuk mengurangi kelebihan arus pada diode sehingga diode tidak rusak
b. mennyearahkan arus AC
c. melindungi LED
d. menaikan tegangan
2. Apa yang terjadi jika memasang 2 dioda ssecara paralel namun berlawanan arah?
a. arus akan mengalir berputar putar
b. arus akan terabgi 2
c arus akan mangalir satu arah seperti memasang satu dioda
d. arus tidak akan mengalir sama sekalli
- link download html disini
- link download video simulasi disini
- link download gambar rangkaian disini
- link download rangkaiaan disini
- link download data sheet
















Tidak ada komentar:
Posting Komentar